Improvements stabilize Drizo glycol-enhancement process
An improvement to the Drizo gas-dehydration process has made the process far more stable and reliable than the earlier version. The latest enhancement has demonstrated a consistent low level of water content in the exit gas, with an energy efficiency of <0.7 required of solid-bed desiccant.
Drizo is a glycol-enhancement process that uses a commonly available hydrocarbon solvent in counter current contact with semilean glycol. It generates a very high purity glycol that is sent to the gas-glycol contactor.
The improvement, drying the hydrocarbon liquid solvent with a small solid-bed dryer prior to solvent vaporization, permits a measured 99.999 wt % tri-ethylene glycol (TEG) purity.
The exit water outlet content is consistently 0.1 ppm or less for a measurable dew point depression of at least 135° C. (243° F.). This corresponds to a +30° C. (86° F.) contactor temperature with a –108° C. (–162° F.)1 demethanizer reflux processing temperature.
The plant is located in Hungarian Oil & Gas Co.'s (M.O.L.) Szeged field in southern Hungary.
Design criteria was a water dew point of –85° C. (–121° F.) at 16 barg (232 psig)1 2 and demethanizer reflux flow dew point of –108° C. (–162° F.) at 16 barg (232 psig), relating to an exit water content of the contactor between 0.1 and 0.16 ppm.
The unit has been running at a consistent outlet water content of less than design values on a continuous basis for over a year.
Szeged gas-treating facility
M.O.L. initiated the cryogenic gas plant project in 1995. OPC Engineering Inc. provided a design for the gas dehydration portion of the facility, using a recent version of Drizo technology.
The facility consists of upstream condensate separation followed by a Drizo gas dehydration unit, a sulfur-impregnated carbon mercury-removal bed, and a turboexpander, demethanizer, and recompressor. The Drizo unit was designed by OPC Engineering and fabricated in Canada by I.P.Constructors Ltd., Calgary.
The plant started up in September 1999 with a gas flowrate capacity of 160,000 std. cu m/hr (108.7 MMscfd).1
The glycol contactor operates at 20-35° C. (68-95° F.) at 50-60 barg (725-870 psig). The demethanizer operates at an overhead temperature of about 108° C. (162° F.) at 16 bara (232 psia).
The process guarantee for the Drizo unit was a water dew point of 85° C. (121° F.) at 16 bara (232 psia). OPC Engineering also guaranteed glycol (TEG) losses at not greater than 5 g/1,000 std. cu m (0.1 US gal/MMscf).1
The process
Dow Chemical Co. obtained the original patents for the Drizo process in the early 1970s. OPC Engineering acquired the technology in late 1985 and developed further enhancements with several patents issued in the late 1990s. OPC Engineering sold the assets of this technology to Framatome/Proser in March 1998.
The Drizo process is a glycol-enhancement technology that produces extremely high glycol purities. High glycol purity permits competition with solid bed desiccants and reduces energy requirements as compared to other enhanced-glycol processes.
Lowering the glycol flow rate (by as much as 30-40% in some applications) is viable because of the higher purity. Lowering glycol flowrate also greatly reduces benzene, toluene, ethylbenzene, and xylene (BTEX) emissions from the regenerator in direct proportion to the reduced glycol flowrate.
This very high glycol purity, in conjunction with the other two primary dehydration variables—glycol flowrate and contactor theoretical stages—can produce capital expenditure (capex) and operating expenditure (opex) savings of as much as 30%, compared to solid bed desiccants.
Drizo uses a recoverable, vaporized liquid-hydrocarbon solvent to contact the glycol. The hydrocarbon solvent has a relatively narrow boiling point range and vaporizes at high temperature prior to contact with the semilean glycol leaving the regenerator.
The counter-current contact is performed in a lean stripper after the glycol is heated to glycol bath temperature (204° C., or 400° F. for TEG). The solvent and overhead water vapor from the regenerator are condensed, liquid water is discharged, and the hydrocarbon solvent is recirculated.
For the project at Szeged, the design glycol concentration was 99.997 wt %, with an expected level of 99.999+ wt %, given the various contingencies.
Contingency was designed into the height of the contactor structured packing, the lean stripper packing selection and height, and the solvent flow rate. All were designed at about 25% greater than calculated needs.3 4
A TEG Drizo unit by M.O.L. was chosen over a conventional solid bed desiccant unit because of energy savings of about 30% over solid-bed desiccants and local operator familiarity with field glycol dehydration units.
The new unit, which utilizes liquid-solvent contact with a solid bed dryer to remove solvent-dissolved water, exceeded design specifications. Some field modifications were needed at start-up to tune the unit for this plant.
The capital cost savings of this Drizo configuration are a function of the gas flow throughput. The capex savings for Drizo compared with solid bed desiccants may be only 10% for small units, but up to 50% for very-large gas throughputs (> 200 MMscfd).
Contactor design
The contactor used the maximum single bed height for Montz B1-300 packing, which is about 9.1 m (29.8 ft). This structured packing has a height equivalent to a theoretical plate (HETP) of <1.0 m (<3.2 ft) at design flow rates and higher HETP values at less-than-design gas flow rates.
This structured packing selection and extra height allocated allowed a 20-25% margin, 40,000 std. cu m/hr (27 MMscfd)7 8 for gas flow rate turndown. A simple inlet gas distributor for normal gas flow rate turndown was implemented due to M.O.L. peak time delivery criteria.
Also, a contactor outlet gas cooler was installed for consistent glycol-temperature control. The gas-glycol exchanger configuration improves contactor efficiency at design gas flow rates due to reduced inlet glycol temperatures to the contactor.
During start-up, the contactor experienced one unexpected problem. The bottom contactor hydrocarbon skim bucket filled with glycol. This skim bucket was in place to remove errant heavy carryover hydrocarbons on top of the glycol layer. It was found that the inlet gas distributor tangential guide vane created a swirl effect, diverting descending glycol to the overhead-protected skim bucket.
This was corrected by installing a new simplified (M.O.L. design) multivane inlet gas distributor, resulting in no further concern of glycol losses from this source and improving the gas flow rate turndown capability.
Glycol flow rate
There is little latitude for glycol flow rate with reciprocating pumps, unless one engages a bypass valve recycle mode.
This recycle mode is always implemented for centrifugal pumps, but was not utilized for the reciprocating pumps for this project.
Project personnel felt no need for adjust the glycol flow rate downward for this high-purity design. A normal glycol-removal ratio was implemented: 3 gal of TEG/lb of water removed.
If the dew point depression had not been so high, the glycol flow rate could have been designed lower to further reduce energy requirements and emissions from the regeneration section.5 6
Glycol purity, regeneration
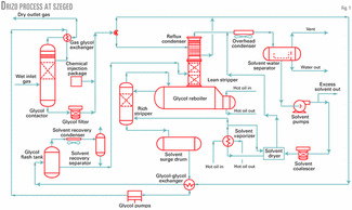
Fig. 1 shows the flow scheme of the modified Drizo gas dehydration process. The main modification from a normal Drizo unit, which can produce a consistent 99.97-99.99+ wt % TEG, is the addition of a hydrocarbon liquid solvent solid bed dryer system.
The solid-bed dryers remove minor entrained and dissolved water in the solvent prior to the solvent-glycol contact. If the aromatic content in the solvent is high, 1,000 ppm of water may be present in the solvent.
This water in solvent inhibits the very high glycol purity and is therefore removed in the small solvent-dryer system. The solid bed desiccant dryers for the solvent consist of two beds switched by a programmable controller. A superheated solvent vapor side stream regenerates the solvent dryers.
The lean glycol stripper uses Montz B1-400 structured packing with a 350-mm (10-in.) HETP.
There were several concerns during initial start-up in September 1999. The entrained water in the solvent was excessive after solvent water separation. This excessive entrained water was reduced with the rapid installation of a high-efficiency filter coalescer.
A the modification of the three-phase, solvent-water separator internals in mid-2000, successfully improved the residence time.
Operating the downstream entrained- water removal filter coalescer is still required in the solvent discharge line of the separator to effect water separation prior to the solvent dryers. This water removal in the solid bed dryers reduces up to 1,000 ppm dissolved water to less than 10 ppm.
The solvent heater is a conventional shell-and-tube unit with liquid hydrocarbon on the shell side and vaporizing solvent on the tube side.
The exchanger was designed with conventional parameters for this service, based on extensive past experience of similar units.
The heater accomplishes solvent preheating, vaporization, and superheating. While the heat-transfer coefficient of the above first two operations is very good and corresponds to the design parameters, the surface designed for the superheating—owing to worse heat transfer conditions—proved to be less by 10-20% than required.This unit would therefore not perform to design parameters. A small steam-heated solvent preheater was added to the system to bring the system up to design flow and temperature parameters.
The glycol losses under the test run in 1999 were continuously excessive relative to design parameters. This loss was traced to excessive solvent-water vapor transient flow rate and the resultant higher inlet temperature to the reflux condenser.
M.O.L. improved these deficiencies during a summer 2000 shutdown, prior to final performance test in October 2000. The modifications increased the vapor disengaging space and added a missing demister pad of the one pass shell-and-tube reflux condenser.
M.O.L. made some minor piping changes to the vent gas system to lower the regenerator backpressure to as low a value as possible by replacing the back-pressure regulator and straightening the vent piping.
At these high-purity glycol goals, the regenerator backpressure made a difference to the glycol purity entering the lean glycol stripper.
The reboiler bath temperature and imposed reboiler backpressure affect the semilean glycol purity prior to entering the high purity-enhancement vessel, the lean glycol stripper.
For example, the TEG will decrease in purity to about 98.5 wt % from 98.6 wt % when the backpressure is increased to 810 mm Hg from 760 mm Hg. This reboiler operational variation adds an additional 10 wt % water removal load to the lean glycol stripper.
This normal variability of reboiler operation, affecting semilean glycol purity, can be overcome by over-circulation of the superheated solvent vapor stream in the lean glycol stripper.
This hot solvent vapor over-circulation in the lean glycol stripper will create a consistent high-purity TEG and produce reliable low water dew points in the contactor vapor outlet stream.
Dew point measurement
Interestingly, the guarantee for this unit was expressed as a water dew point of 85° C. (121° F.) at 16 barg (232 psig), relating to a 0.1-0.16 ppm water content from various data sources, primarily the extended data of IGT Res. Bull. No. 8, 1955.
One of the dew point analyzers was reading at the limit of its calibration of about 0.1 ppm, but at a dew point reading of 90° C. (130° F.) at atmospheric pressure.
The other dew point analyzer read a 75° C. (103° F.) dew point at 16 barg. Note that the unit has never frozen, as indicated by a higher-than-design pressure drop or a "rime" layer on the gas-chilling portion of the facility downstream of the Drizo unit.
This discrepancy of better performance than the measurement devices indicates two facts: The dew point analyzers are measuring "ice point" as an extrapolation of various relationships via a programmed algorithm, extrapolating unknown sources of data. The guarantee of dew point performance is related in water dew point, which is about 10-15° C. (18-27° F.) less than the ice point.7
Further, the dew point analyzers were performing at the lower limits of their range, with no way to verify calibration other than dew point analyzer vendor claims of perfection. Glycol purity measurement is in a similar, but less worrisome, predicament of lack of precision and traceability.
The Karl Fischer analyzers are now at the limits of the instrument sensitivity of 99.999 wt % TEG for this technology. The reliability of measurement has been significantly improved by the closed sampling method developed and introduced by the plant's laboratory. This involves taking samples under pressure.
Future designs
The future Drizo units for deep dew point control need further mechanical configuration attention in the following areas:
•Improve the design of the solvent water separator and backup solvent water filter coalescer to lower entrained water content of the hydrocarbon solvent.
•An independent solvent superheating-solvent dryer mode to control and monitor the various solvent flow rates. In the future, it is reasonable to refine the main concern variable, solvent flow rate.
The transient flows upon solvent dryer regeneration have been resolved.
The reflux condenser configuration modifications provided a back-circulated and controlled reflux from the water of the solvent-water separator into the lean stripper of the TEG regenerator. This solution improves the control of downstream vapor temperature of the TEG regenerator and, moreover, it allows advantageous glycol-glycol heat exchange.
A water spray system for reflux could replace the shell-and-tube reflux condenser. This may provide a better control of reflux during transient solvent dryer operation. This water spray system has been implemented on other Drizo projects when height restraint was a primary design criterion.
Costs
The capital cost of this unit for this gas flow rate was about 60-70% of the cost of comparable solid bed desiccant units. Past studies indicate that the Drizo option becomes more economical at higher gas flow rates.
We did not make whole life cost-benefit comparisons between the latest Drizo enhancement and solid bed desiccants. Such whole life analysis is highly dependent on the changeout time for the solid bed desiccant beds, and resultant downtime and loss of revenue.
Whole-life cost estimates would probably favor the Drizo option by a 2 to 1 margin, assuming a documented normal mole sieve changeout time of about 3-4 years (2,000 cycles before mole sieve degradation through coking and regeneration dust degradation).
The small solvent solid bed dryers to remove remaining entrained and dissolved water to achieve the very high purity TEG add about 15-20% to the cost of a "normal" Drizo unit.
References
- License, Engineering, and Technical Service Agreement No. 118-97-1497 / KGY between M.O.L. Hungarian Oil & Gas Co. and OPC Engineering Inc.
- Hungarian Oil & Gas Co., Szeged plant, 2204 Drizo Gas Dehydration Operation Manual, OPC, 1998.
- Smith, R.S., "Fundamentals of Gas Dehydration Manual," Laurance Reid Gas Conditioning Conference, Norman, Okla., 1999.
- Smith, R.S., and Skiff, T.B., "Enhancements of Drizo Gas Dehydration," Laurance Reid Gas Conditioning Conference, Norman, Okla., 1997.
- Smith, R.S., and Humphrey, S., "High purity Glycol Design parameters and operating experience," GPA Continental Meeting, June 1995.
- Smith, R.S., and Dorsi, E.N., "Glycol Dehydration Applications Expanded," GPA Convention, 1993.
- Chambon, B., Private correspondence, ProserNat, Nov. 18, 1998.
The authors
Tom Skiff is a consultant in Bonham, Tex., specializing in natural gas-dehydrating facilities. He has been consulting through Quantum Technology Inc. since 1998.
Anna Adaszne Szuts is manager of the Hungarian Oil & Gas Co. gas-processing plant in Szeged, Hungary. She graduated in 1971 from the Oil & Gas Institute in Baku with a degree in oil and gas processing.
Vince Szujo is a project manager in Hungarian Oil & Gas Co.'s domestic exploration and production division. He holds degrees in mechanical engineering from Gubkin Petrochemical University in Moscow; economics from the College of Foreign Trade, Szolnok, Hungary; and management from European Business School, Budapest.




